産品特(tè)點:
橢圓齒(chi)輪流量計(jì)是容積式(shì)流量計的(de)一種,国产熟妇精品一❌区二区🚩用于(yu)精密的連(lian)續或間斷(duan)的測量管(guǎn)道中液體(ti)的流量或(huò)瞬時流量(liang).它特别适(shì)合于重油(yóu)、聚乙烯醇(chun)、樹脂等粘(zhān)度較高介(jie)質的流量(liang)測量。
産品(pin)應用:适用(yòng)于化工、石(shi)油、醫藥、電(diàn)力、冶金和(hé)食品等工(gōng)業部門的(de)♉流量計量(liang)工作。
.jpg)
一、概(gai) 述
ZY-LC系列橢(tuo)圓齒輪流(liu)量計系直(zhí)讀累積式(shì)儀表,是計(ji)量流經管(guǎn)道内液體(ti)流量總和(hé)的容積式(shi)流量計。可(ke)廣泛用于(yú)石油、化工(gong)、醫藥衛生(sheng)等部門的(de)流量測量(liang)。
二、工作原(yuan)理
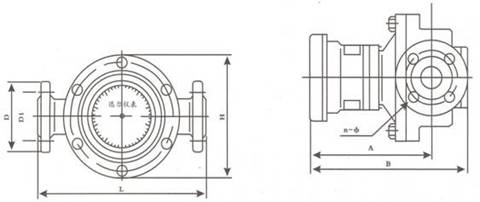
在儀表(biǎo)測量室進(jin)出口兩端(duan)液體壓差(chà)的作用下(xià),一對橢圓(yuán)齒輪在軸(zhou)上不停地(di)轉動并排(pái)出液體,測(ce)出橢圓🥰齒(chi)輪的轉數(shu)即🏃🏻可知道(dao)流經儀表(biǎo)液體的總(zǒng)值。
三、儀表(biǎo)特點
·測量(liang)精度高、流(liú)量範圍寬(kuan)、重複性好(hao);
·螺旋轉子(zi)轉動均勻(yún)、震動小、壽(shou)命長;
·對被(bei)測液體的(de)粘度變化(hua)不敏感,尤(yóu)其适合于(yu)粘度較💛高(gāo)液🈲體的測(cè)量;
·結構簡(jiǎn)單、外形尺(chi)寸小、重量(liàng)輕;
·安裝容(rong)易,表前不(bú)需要安裝(zhuang)直管段。
工(gong)作原理
1.精(jing)度等級:0.5級(ji)、0.2級(一般在(zai)-10℃~+60℃)
2.适用介質(zhi)溫度:-20℃~+80℃,在加(jia)散熱器情(qing)況下可達(dá)200℃
3.防爆等級(ji):ExiaIICT6
4.測量範圍(wéi):見表1、2、3
四.流(liu)量範圍
表(biao)1——标準型橢(tuǒ)圓齒輪流(liu)量計測量(liang)範圍
|
不同(tóng)粘度下測(ce)量範圍(m3/h) |
耐(nài)壓等級 |
||||
|
0.6~2mPa.s |
2~8 mPa.s |
8~200 mPa.s |
|||
|
DN10 |
鑄(zhu)鐵 |
0.08-0.4 |
0.04-0.4 |
1.6/6.4 |
|
|
DN15 |
鑄鐵(tiě)/鑄鋼 |
無 |
0.3-1.5 |
0.15-1.5 |
1.6/6.4 |
|
不(bú)鏽鋼 |
0.5-1.5 |
0.3-1.5 |
0.25-1.5 |
||
|
鑄鐵(tiě)/鑄鋼 |
0.4-3 |
0.3-3 |
1.6/6.4 |
||
|
不鏽(xiù)鋼 |
1-3 |
0.6-3 |
0.5-3 |
1.6 |
|
|
DN25 |
1.5-6 |
0.8-6 |
0.6-6 |
1.6/6.4 |
|
|
不鏽鋼(gang) |
2-6 |
1.2-6 |
1-6 |
1.6 |
|
|
DN40 |
鑄鐵/鑄鋼(gang) |
3-15 |
2-15 |
1.1-15 |
1.6/6.4 |
|
不鏽鋼 |
2.5-20 |
2-20 |
1.5-20 |
1.6 |
|
|
DN50 |
鑄(zhù)鐵/鑄鋼 |
1.6/6.4 |
|||
|
不(bu)鏽鋼 |
8-24 |
4.8-24 |
4-24 |
1.6 |
|
|
DN65 |
鑄鐵(tiě) |
8-40 |
5-40 |
4-40 |
1.6/6.4 |
|
不鏽鋼 |
15-40 |
8-40 |
6.5-40 |
1.6 |
|
|
DN80 |
鑄(zhù)鐵/鑄鋼 |
12-60 |
8-60 |
6-60 |
1.6/6.4 |
|
DN100 |
鑄(zhù)鐵/鑄鋼 |
20-100 |
13-100 |
10-100 |
1.6/6.4 |
|
DN150 |
鑄(zhu)鐵/鑄鋼 |
38-190 |
24-190 |
1.6/2.5 |
|
|
DN200 |
鑄(zhu)鐵/鑄鋼 |
68-340 |
45-340 |
1.6/2.5 |
|
|
适(shì)用條件: |
|||||
|
公稱通(tōng)徑 |
儀表材(cai)質 |
不同粘(zhān)度下測量(liang)範圍(m3/h) |
耐壓(ya)等級 |
||
|
0.8~2mPa.s |
2~8 mPa.s |
8~200 mPa.s |
|||
|
DN15 |
鑄鐵(tiě)/鑄鋼 |
0.45-1.35 |
0.36-1.35 |
0.18-1.35 |
1.6/6.4 |
|
DN20 |
鑄鐵(tiě)/鑄鋼 |
0.9-2.7 |
0.36-2.7 |
1.6/6.4 |
|
|
1.8-5.4 |
0.96-5.4 |
0.27-5.4 |
1.6/6.4 |
||
|
DN40 |
3.6-13.5 |
2.4-13.5 |
1.8-13.5 |
1.6/6.4 |
|
|
DN50 |
鑄鐵(tie)/鑄鋼 |
5.8-21.6 |
3.6-21.6 |
2.9-21.6 |
1.6/6.4 |
|
DN65 |
鑄鐵(tie) |
9.6-36 |
6-36 |
4.8-36 |
1.6/6.4 |
|
DN80 |
15-54 |
9.6-54 |
7.2-54 |
||
|
DN100 |
鑄鐵/鑄鋼(gāng) |
24-90 |
22-90 |
1.6/2.5 |
|
|
适用條件(jiàn): |
|||||
|
公(gong)稱通徑 |
儀(yí)表材質 |
測(cè)量範圍 (m3/h) |
耐(nai)壓等級MPa |
|
DN10 |
鑄(zhu)鐵 |
0.02-0.2 |
1.6/6.4 |
|
DN15 |
鑄鐵/鑄(zhù)鋼 |
0.075-0.75 |
1.6/6.4 |
|
DN20 |
鑄鐵/鑄(zhù)鋼 |
0.15-1.5 |
|
|
DN25 |
鑄鐵/鑄(zhù)鋼 |
0.3-3 |
1.6/6.4 |
|
DN40 |
鑄鐵/鑄(zhu)鋼 |
0.75-7.5 |
1.6/6.4 |
|
DN50 |
鑄鐵/鑄(zhu)鋼 |
1.2-12 |
1.6/6.4 |
|
DN65 |
鑄鐵 |
2-20 |
|
|
DN80 |
鑄(zhù)鐵/鑄鋼 |
1.6/6.4 |
|
|
鑄(zhù)鐵/鑄鋼 |
5-50 |
1.6/6.4 |
|
|
DN150 |
鑄(zhù)鐵/鑄鋼 |
9.5-95 |
1.6/2.5 |
|
鑄(zhù)鐵/鑄鋼 |
17.4-174 |
1.6/2.5 |
|
|
适(shi)用條件: |
|||
|
說(shuo)明 |
||||||||||||||||||||||||||||||||||||||||||||||||||||||||||||||||||||||||||||||||||||||||||||||||||||||||||||||||||||||||||||||||||||||||||||||||||||||||||||||||||||||||||||||||||||||||||||||||||||||||||||||||||||||||||||||||||||||||||||||||||||||||||||||||||||||
|
ZY-LC- |
□/ |
□ |
□ |
|||||||||||||||||||||||||||||||||||||||||||||||||||||||||||||||||||||||||||||||||||||||||||||||||||||||||||||||||||||||||||||||||||||||||||||||||||||||||||||||||||||||||||||||||||||||||||||||||||||||||||||||||||||||||||||||||||||||||||||||||||||||||||||||||||
|
通徑 |
10 |
|
|
|
10 mm |
|||||||||||||||||||||||||||||||||||||||||||||||||||||||||||||||||||||||||||||||||||||||||||||||||||||||||||||||||||||||||||||||||||||||||||||||||||||||||||||||||||||||||||||||||||||||||||||||||||||||||||||||||||||||||||||||||||||||||||||||||||||||||||||||||
|
15 |
15 mm |
|||||||||||||||||||||||||||||||||||||||||||||||||||||||||||||||||||||||||||||||||||||||||||||||||||||||||||||||||||||||||||||||||||||||||||||||||||||||||||||||||||||||||||||||||||||||||||||||||||||||||||||||||||||||||||||||||||||||||||||||||||||||||||||||||||||
|
20 mm |
||||||||||||||||||||||||||||||||||||||||||||||||||||||||||||||||||||||||||||||||||||||||||||||||||||||||||||||||||||||||||||||||||||||||||||||||||||||||||||||||||||||||||||||||||||||||||||||||||||||||||||||||||||||||||||||||||||||||||||||||||||||||||||||||||||||
|
25 |
25 mm |
|||||||||||||||||||||||||||||||||||||||||||||||||||||||||||||||||||||||||||||||||||||||||||||||||||||||||||||||||||||||||||||||||||||||||||||||||||||||||||||||||||||||||||||||||||||||||||||||||||||||||||||||||||||||||||||||||||||||||||||||||||||||||||||||||||||
|
40 |
||||||||||||||||||||||||||||||||||||||||||||||||||||||||||||||||||||||||||||||||||||||||||||||||||||||||||||||||||||||||||||||||||||||||||||||||||||||||||||||||||||||||||||||||||||||||||||||||||||||||||||||||||||||||||||||||||||||||||||||||||||||||||||||||||||||
|
50 |
50 mm |
|||||||||||||||||||||||||||||||||||||||||||||||||||||||||||||||||||||||||||||||||||||||||||||||||||||||||||||||||||||||||||||||||||||||||||||||||||||||||||||||||||||||||||||||||||||||||||||||||||||||||||||||||||||||||||||||||||||||||||||||||||||||||||||||||||||
|
80 |
80 mm |
|||||||||||||||||||||||||||||||||||||||||||||||||||||||||||||||||||||||||||||||||||||||||||||||||||||||||||||||||||||||||||||||||||||||||||||||||||||||||||||||||||||||||||||||||||||||||||||||||||||||||||||||||||||||||||||||||||||||||||||||||||||||||||||||||||||
|
100 |
100 mm |
|||||||||||||||||||||||||||||||||||||||||||||||||||||||||||||||||||||||||||||||||||||||||||||||||||||||||||||||||||||||||||||||||||||||||||||||||||||||||||||||||||||||||||||||||||||||||||||||||||||||||||||||||||||||||||||||||||||||||||||||||||||||||||||||||||||
|
150 |
150 mm |
|||||||||||||||||||||||||||||||||||||||||||||||||||||||||||||||||||||||||||||||||||||||||||||||||||||||||||||||||||||||||||||||||||||||||||||||||||||||||||||||||||||||||||||||||||||||||||||||||||||||||||||||||||||||||||||||||||||||||||||||||||||||||||||||||||||
|
200 |
200 mm |
|||||||||||||||||||||||||||||||||||||||||||||||||||||||||||||||||||||||||||||||||||||||||||||||||||||||||||||||||||||||||||||||||||||||||||||||||||||||||||||||||||||||||||||||||||||||||||||||||||||||||||||||||||||||||||||||||||||||||||||||||||||||||||||||||||||
|
儀(yi)表類型 |
1 |
标(biāo)準型 |
||||||||||||||||||||||||||||||||||||||||||||||||||||||||||||||||||||||||||||||||||||||||||||||||||||||||||||||||||||||||||||||||||||||||||||||||||||||||||||||||||||||||||||||||||||||||||||||||||||||||||||||||||||||||||||||||||||||||||||||||||||||||||||||||||||
|
2 |
高溫(wēn)型 |
|||||||||||||||||||||||||||||||||||||||||||||||||||||||||||||||||||||||||||||||||||||||||||||||||||||||||||||||||||||||||||||||||||||||||||||||||||||||||||||||||||||||||||||||||||||||||||||||||||||||||||||||||||||||||||||||||||||||||||||||||||||||||||||||||||||
|
3 |
高粘度(dù)型 |
|||||||||||||||||||||||||||||||||||||||||||||||||||||||||||||||||||||||||||||||||||||||||||||||||||||||||||||||||||||||||||||||||||||||||||||||||||||||||||||||||||||||||||||||||||||||||||||||||||||||||||||||||||||||||||||||||||||||||||||||||||||||||||||||||||||
|
儀表材(cái)質 |
鑄鐵 |
|||||||||||||||||||||||||||||||||||||||||||||||||||||||||||||||||||||||||||||||||||||||||||||||||||||||||||||||||||||||||||||||||||||||||||||||||||||||||||||||||||||||||||||||||||||||||||||||||||||||||||||||||||||||||||||||||||||||||||||||||||||||||||||||||||||
|
2 |
鑄(zhu)鋼 |
|||||||||||||||||||||||||||||||||||||||||||||||||||||||||||||||||||||||||||||||||||||||||||||||||||||||||||||||||||||||||||||||||||||||||||||||||||||||||||||||||||||||||||||||||||||||||||||||||||||||||||||||||||||||||||||||||||||||||||||||||||||||||||||||||||||
|
不鏽鋼(gāng) |
||||||||||||||||||||||||||||||||||||||||||||||||||||||||||||||||||||||||||||||||||||||||||||||||||||||||||||||||||||||||||||||||||||||||||||||||||||||||||||||||||||||||||||||||||||||||||||||||||||||||||||||||||||||||||||||||||||||||||||||||||||||||||||||||||||||
|
信号輸出(chu)方式 |
無信(xìn)号輸出 |
|||||||||||||||||||||||||||||||||||||||||||||||||||||||||||||||||||||||||||||||||||||||||||||||||||||||||||||||||||||||||||||||||||||||||||||||||||||||||||||||||||||||||||||||||||||||||||||||||||||||||||||||||||||||||||||||||||||||||||||||||||||||||||||||||||||
|
2 |
脈(mo)沖輸出 |
|||||||||||||||||||||||||||||||||||||||||||||||||||||||||||||||||||||||||||||||||||||||||||||||||||||||||||||||||||||||||||||||||||||||||||||||||||||||||||||||||||||||||||||||||||||||||||||||||||||||||||||||||||||||||||||||||||||||||||||||||||||||||||||||||||||
|
3 |
4-20mA輸(shu)出 |
|||||||||||||||||||||||||||||||||||||||||||||||||||||||||||||||||||||||||||||||||||||||||||||||||||||||||||||||||||||||||||||||||||||||||||||||||||||||||||||||||||||||||||||||||||||||||||||||||||||||||||||||||||||||||||||||||||||||||||||||||||||||||||||||||||||
|
LC- |
50/ |
1 |
1 |
|||||||||||||||||||||||||||||||||||||||||||||||||||||||||||||||||||||||||||||||||||||||||||||||||||||||||||||||||||||||||||||||||||||||||||||||||||||||||||||||||||||||||||||||||||||||||||||||||||||||||||||||||||||||||||||||||||||||||||||||||||||||||||||||||||
|
|
|
|
|
|
||||||||||||||||||||||||||||||||||||||||||||||||||||||||||||||||||||||||||||||||||||||||||||||||||||||||||||||||||||||||||||||||||||||||||||||||||||||||||||||||||||||||||||||||||||||||||||||||||||||||||||||||||||||||||||||||||||||||||||||||||||||||||||||||||
|
|
|
|||||||||||||||||||||||||||||||||||||||||||||||||||||||||||||||||||||||||||||||||||||||||||||||||||||||||||||||||||||||||||||||||||||||||||||||||||||||||||||||||||||||||||||||||||||||||||||||||||||||||||||||||||||||||||||||||||||||||||||||||||||||||||||||||||||
|
|
|
|||||||||||||||||||||||||||||||||||||||||||||||||||||||||||||||||||||||||||||||||||||||||||||||||||||||||||||||||||||||||||||||||||||||||||||||||||||||||||||||||||||||||||||||||||||||||||||||||||||||||||||||||||||||||||||||||||||||||||||||||||||||||||||||||||||